
Access Control System
If the accessories of access control system you need are not included in this packing list, please leave a message to our service, we will check the stock and price for you,and help you to make an order of accessories.
Access Control System (Customized) Instruction

Packing List
Number | Title | Qty | Note |
1 | Barrier gate machine | 1 | Included in machine package |
2 | Machine case press board | 2 | |
3 | Expansion bolt M12 | 4 | |
4 | Remote control | 2 | |
5 | Case Key | 2 | |
6 | Instruction | 1 | |
7 | Barrier gate boom | 1 | Optional, separate package |
8 | Boom holder | 1 | Optional |
9 | Expansion bolt M8 | 4 | Optional, for fixing boom holder |
10 | Plug-in Machine control | 1 | Optional |
If the accessories of access control system you need are not included in this packing list, please leave a message to our service, we will check the stock and price for you,and help you to make an order of accessories.
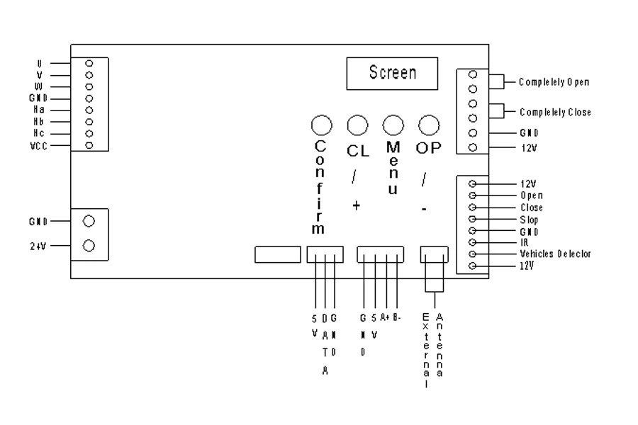
Control Board Wring

Motor Port: Insert an 8 ends motor cable port;
Power Port: Insert a 2 ends power cable port;
Close in Place: When the barrier boom is closed in place, the 2 ports will be NC;
Open in Place: When the barrier boom is opened in place, the 2 ports will be NC;
12V+: Output +12V;
GND: Ground;
12V+: Output +12V;
OPEN: OPEN signal input port (another end connects with +12V port);
CLOSE: CLOSE signal input port (another end connects to +12V port);
STOP: Halfway stop during opening or closing signal input port (another end connects to +12V port);
Loop Detector: Loop detector signal input port (NC, automatically close after powering off);
Open in Place Signal NC: Open in place output normal close signal NC;
Close in Place Signal NC: Close in place output normal close signal NC;
Warning
The controller for DC brushless barrier gate is specially designed for the use of low speed and medium speed barrier gates. The place of the running barrier boom is continuously detected by the motor hall, which replaces the limit switches used in conventional barrier control systems.
The combination of the hall encoder and the controller unit ensures the maximum control to the boom optimum running place.
Note
If some special functions are required, the controller's connection may differ from which shown in this wiring illustration.
All input signals (like push buttons, limit switches, etc.) must be connected in the volt-free contact way.
Send Inquiry









